![]() |
|
| 设为首页 | 加入收藏 | |
| 热线电话:010—63331036 |
| 首页--相关知识 |
单向数传电台的常用方法
|
1、单向数传电台的典型应用方法一:一发一收 |
| 一发一收的应用模式在下面的领域中有广泛应用。其一是可视的遥控及有其他的反馈途径的的遥控领域。如天车遥控,机器人控制、可视监控系统的云台控制等。其二是:单向发送的各种状态数据的传输。如高炉温度、衡器的称重重量、气球上的气象参数采集等。连接关系见下图 |
|
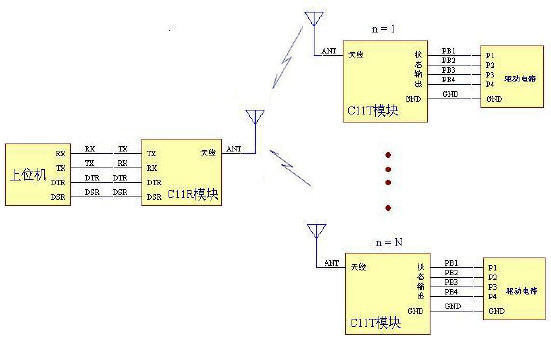
2、单向数传电台的典型应用方法二:单点发多点收 |
这种方法多用于可视的遥控及有其他的反馈途径的的遥控及无反馈途径对可靠性要求不高的遥控领域。见下图 |
|
3、 单向数传电台的典型应用方法四:单点收多点发 |
这种方法多用于组成所传输的数据量小、发生的概率小的报警网络示意,见下图 |
|
Copyright 2005 @ www.sa68.com All rights reserved 京ICP备05015403号-1