设为首页
|
加入收藏
热线电话:010—63331036
首页
公司简介
产品介绍
应用实例
相关知识
资料下载
联系我们
网站地图
F21系列数传电台
主要特点
适用方向
各部分作用
常用连接方法
附件功能及选择
资料下载
首页
--
数传电台
--
F21系列
--连接方法
◆F21系列数传电台连接方法:
1、连接TTL电平时,连接如下图:
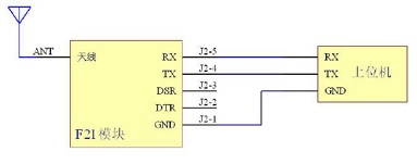
2、连接RS-232电平时,连接如下图:
3、连接RS-485电平时,连接如下图:
>>> 进入数传电台F21TM“附件功能及选择”页面
热线电话:010—63331036
Copyright 2005 @
www.sa68.com
All rights reserved 京ICP备05015403号-1